咨询电话
13924666952
400-158-1606
HC-S3/HC-S5为标准系列注塑机械手控制系统,机械手控制系统都配备了主控制板与I/O板。
HC-S5机械手控制系统的主控制板的端口定义:

HC-S5 I/O板端口定义:

备注:输入、输出信号均为NPN型,OV信号有效。极限为常闭点,其他为常开。
HC-S3主控制板的端口定义:

HC-S3 I/O板端口定义:

备注:备用输入、备用输出的详细用法请详询技术支持,M1、M2为电动调位使用。
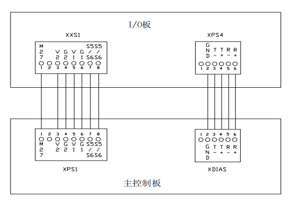
HC-S3/HC-S5主控制板与I/O板的接线图如下:

控制面板与主控制板的接线端子线序图:

版权所有 © 深圳市皇冠crown(中国)工业控制股份有限公司 未经许可不得复制、转载或摘编,违者必究 版权声明
Copyright © Shenzhen Huacheng Industrial Control Co., Ltd. All Rights Reserved.
网站ICP备案号: 粤ICP备19106162号
技术支持:新新网络