HC-S3/HC-S5注塑机械手控制系统电控安装尺寸图-皇冠crown(中国)科技

  • 皇冠crown(中国)

    HC-S3/HC-S5注塑机械手控制系统电控安装尺寸图

    [ 发布日期:2021-08-31 ] 来源: 【打印此文】 【关闭窗口】

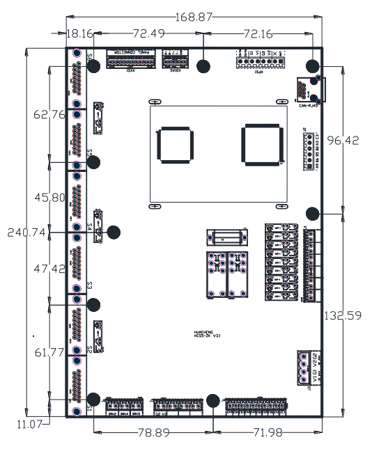
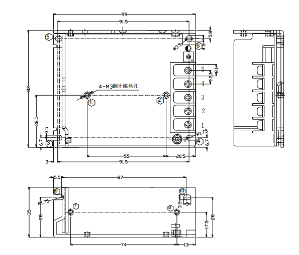
    注塑机械手控制系统系列为HC-S3/HC-S5型号产品,安装时尺寸图如下。


    HC-S5主控板安装尺寸图:



    HC-S3主控板安装尺寸图:



    I/O板安装尺寸图:



    开关电源安装尺寸:


    版权所有 © 深圳市皇冠crown(中国)工业控制股份有限公司 未经许可不得复制、转载或摘编,违者必究  版权声明

    Copyright © Shenzhen Huacheng Industrial Control Co., Ltd. All Rights Reserved.

    网站ICP备案号: 粤ICP备19106162号

    技术支持:新新网络

    咨询在线客服

    咨询电话

    13924666952

    400-158-1606

    官方客服微信